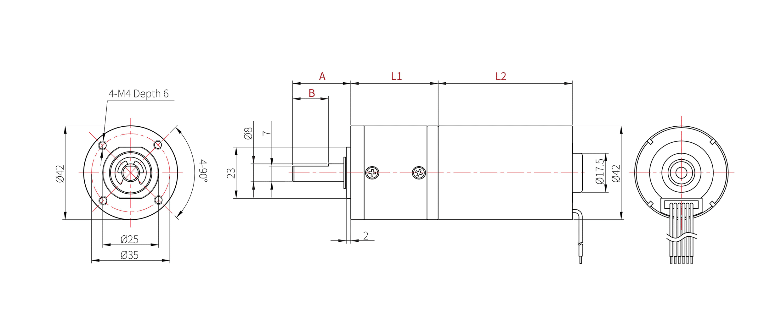
KM-42X4260

电机外形图

可定制参数 | A:轴伸长度, B:扁位长度
除非特别标注,所有尺寸单位为毫米(mm),图纸仅供参考,具体规格请联系确认

技术参数表

| *向右滑动阅读完整表格⇒

>>减速箱参数:

 

减速比 4 16 24 36 144 216
齿轮箱长度 | mm 32.4 39 39 39 45.8 45.8
12V 额定力矩 | kg·cm 1.5 5 8 12 19 35
额定转速 | RPM 865 219 144 96 27 17.6
堵转力矩 | kg·cm 8.2 28 43 68.7 242 359
24V 额定力矩 | kg·cm 1.5 5 8 11 20 32
额定转速 | RPM 1060 265 170 120 32 21
堵转力矩 | kg·cm 12.8 43 53 105 340 368
齿轮箱瞬间容许扭力 | kg·cm 2 10 10 10 40 40
>>电机参数:

 

型号 额定电压 空载 最大效率点 堵转
电流 转速 电流 转速 力矩 功率 电流 力矩
V A RPM A RPM g·cm W A g·cm
KBL4260 24 0.168 4800 1.05 4139 516 21.97 6.58 3750

 

技术参数仅供参考,可提供定制
单位换算:1 g·cm ≈ 0.098 mN·m ≈ 0.014 oz·in;1 mm ≈ 0.039 in;1 g ≈ 0.035 oz

应用方案

常见疑问

电机可以定制吗?

可以,我司有研发团队可对电机进行开发定制;

电机定制项目包括电机的外形尺寸,内部结构,性能参数和相关定制配件等,以满足电机在不同条件下工作的要求。

金茂展的电机是否有详细的使用寿命?

电机的使用寿命会因型号、材料和操作环境(包括温度、湿度、占空比、输入功率以及电机与负载的耦合方式等)而有显著差异。我们通常做电寿命测试时,需要在保证电机在运行状态下,电流、转速和转矩的变化保持在初始设定值的±30%范围内。

如果你能说明具体的使用要求和工作条件,我们将进行详细评估,以确定哪种电机型号最能满足你的需求。

有没有空心杯/外转子的无刷电机?

我司无刷电机产品齐全,可以提供空心杯,外转子等特殊结构的电机。

可以给我一份价目表吗?

我们所有的电机都是根据客户的具体需求定制的,包括寿命、噪声水平、电压以及轴的规格等,价格也会根据每年数量而有所不同,所以我们很难提供价格表。

如果你能告诉我们你的详细要求和年量,我们将提供双方都合理的报价。

能告诉我样品和订单的交货期吗?

一般直流电机样品的交货期通常在10~15天,减速电机样品的交货期则在15~20天。

若有特殊定制需求,如加长轴、特殊减速比等,交货时间会相应延长。

订单标准的交货期为35天,但这一时间会根据不同的型号、生产周期和订单数量进行调整。

询盘表单