KM-37A36ZY

KM-37A36ZY 减速电机具有平稳的低速输出特性和出色的负载响应能力,能够在中等负载条件下提供平稳、持续的动力支持,广泛适用于 ATM、自动售货机、电动工具、机器人等对尺寸、性能和稳定性有一定要求的设备系统。该电机采用轻量化设计与优化的内部传动结构,不仅显著提升传动效率,同时有效延长运行周期,降低整机的维护频率与能耗水平,进而提高系统整体的使用寿命。

为满足不同场景的应用需求,金茂展电机提供灵活的定制服务,可根据客户的实际工况对关键性能参数进行个性化调整,以实现性能与使用需求的高度匹配。

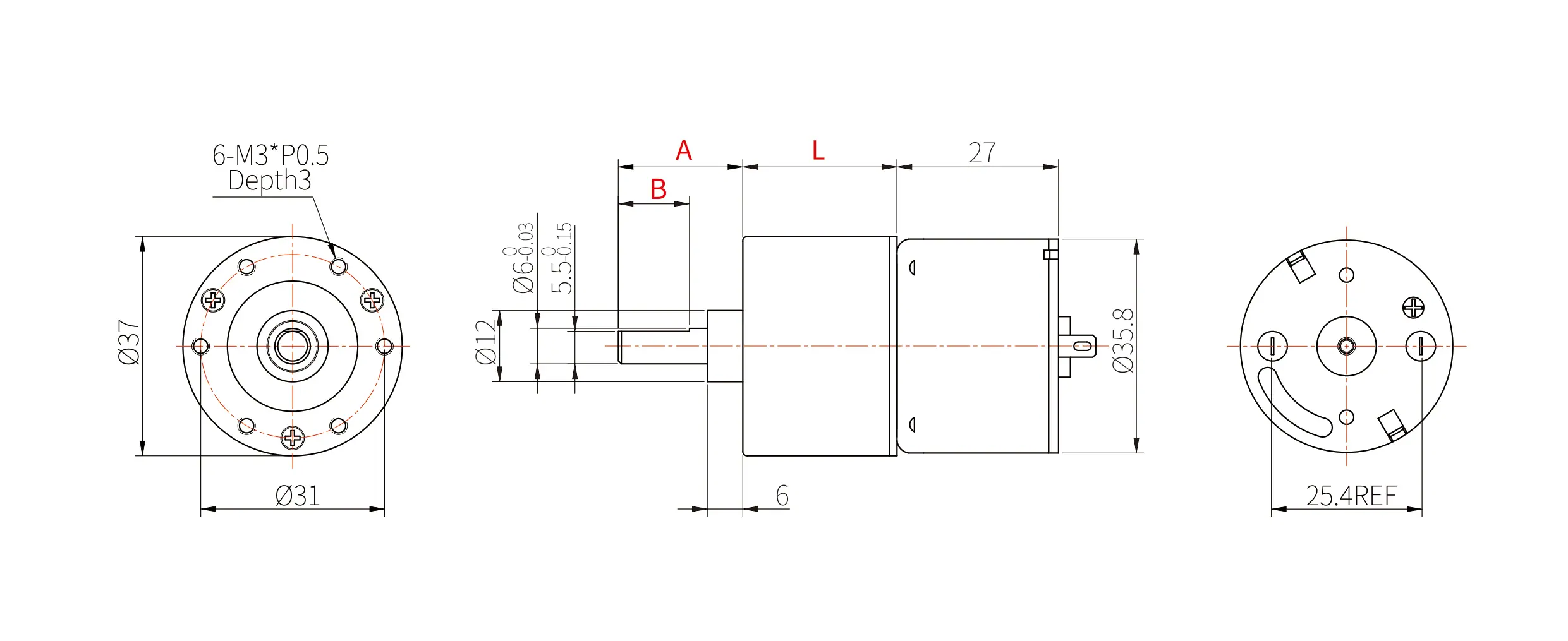
电机外形图

可定制参数 | A:轴伸长度, B:扁位长度
除非特别标注,所有尺寸单位为毫米(mm),图纸仅供参考,具体规格请联系确认

技术参数表

| *向右滑动阅读完整表格⇒

>>减速箱参数:

 

减速比 6.9 15.8 37.4 88.4 151 209 407 645
齿轮箱长度 | mm 18.3 21.3 23.8 26.3 28.8 31.3
24V 额定力矩 | kg·cm 0.3 0.5 1 2 3 4 6 8
额定转速 | RPM 709 328 141 60.4 36.3 25.9 13.9 9.3
堵转力矩 | kg·cm 1.2 2.5 5.4 11.5 19.6 24.4 47.6 115
24V 额定力矩 | kg·cm 0.4 0.8 1.5 3 5 6 8 /
额定转速 | RPM 1120 493 215 92.1 54.2 39.4 21.5 /
堵转力矩 | kg·cm 1.9 3.9 8.3 17.7 30.2 37.7 72.3 /
齿轮箱瞬间容许扭力 | kg.cm 1.5 2.0 9.0 12.0
>>电机参数:
RK-36ZY
型号 额定电压 空载 最大效率点 堵转
电流 转速 电流 转速 力矩 功率 电流 力矩
V A RPM A RPM g·cm W A g·cm
RK-36ZY-10500 24 0.045 6600 0.2 5100 50 2.61 0.73 220.00
RK-36ZY-12335 24 0.053 10000 0.272 8500 50 4.36 1.51 333.33

 

技术参数仅供参考,可提供定制
单位换算:1 g·cm ≈ 0.098 mN·m ≈ 0.014 oz·in;1 mm ≈ 0.039 in;1 g ≈ 0.035 oz

应用方案

自动售货机是一种可以根据您投入的硬币自动付款的机器。它是用于商业自动化的常用设备,不受时间和地点的限制,可以节省能源并促进交易。

常见疑问

减速箱可以定制吗?

可以,我司有研发团队可对减速箱进行开发定制;

减速箱机定制项目包括齿轮定制,外形尺寸,内部结构,性能参数和相关定制配件等,以满足客户要求。

无刷电机的优点是哪些?

无刷电机相对于有刷电机,有效率高,寿命长,噪音低,控制方式多样等优点。

具体可参考我们的无刷电机介绍页面:https://kinmore.com.cn/custom-brushless-motor-development/

电机可以定制吗?

可以,我司有研发团队可对电机进行开发定制;

电机定制项目包括电机的外形尺寸,内部结构,性能参数和相关定制配件等,以满足电机在不同条件下工作的要求。

齿轮的类型都有哪些?

我们现在生产的齿轮类型齐全

按齿轮结构:直齿,斜齿轮,锥齿轮,蜗杆,蜗轮;

按齿轮材料:塑胶齿,金属齿(铜,不锈钢,粉末冶金)。

金茂展的电机噪声大吗?可以提供没有噪声的电机吗?

金茂展的电机噪声控制在行业内处于领先水平;

通常我们根据背景噪声和测量距离来定义电机的噪声水平(单位为dB)。

噪声分为两大类:机械噪声和电气噪声。机械噪声主要与电机本身的结构有关,也与电机的运行速度相关(一般来说速度越快,噪声越大),而电气噪声则主要源于电刷与换向器之间摩擦产生的火花。

目前在电机行业中不存在没有噪声的电机,我们会通过改善设计让电机的噪声达到客户要求的水平。

询盘表单