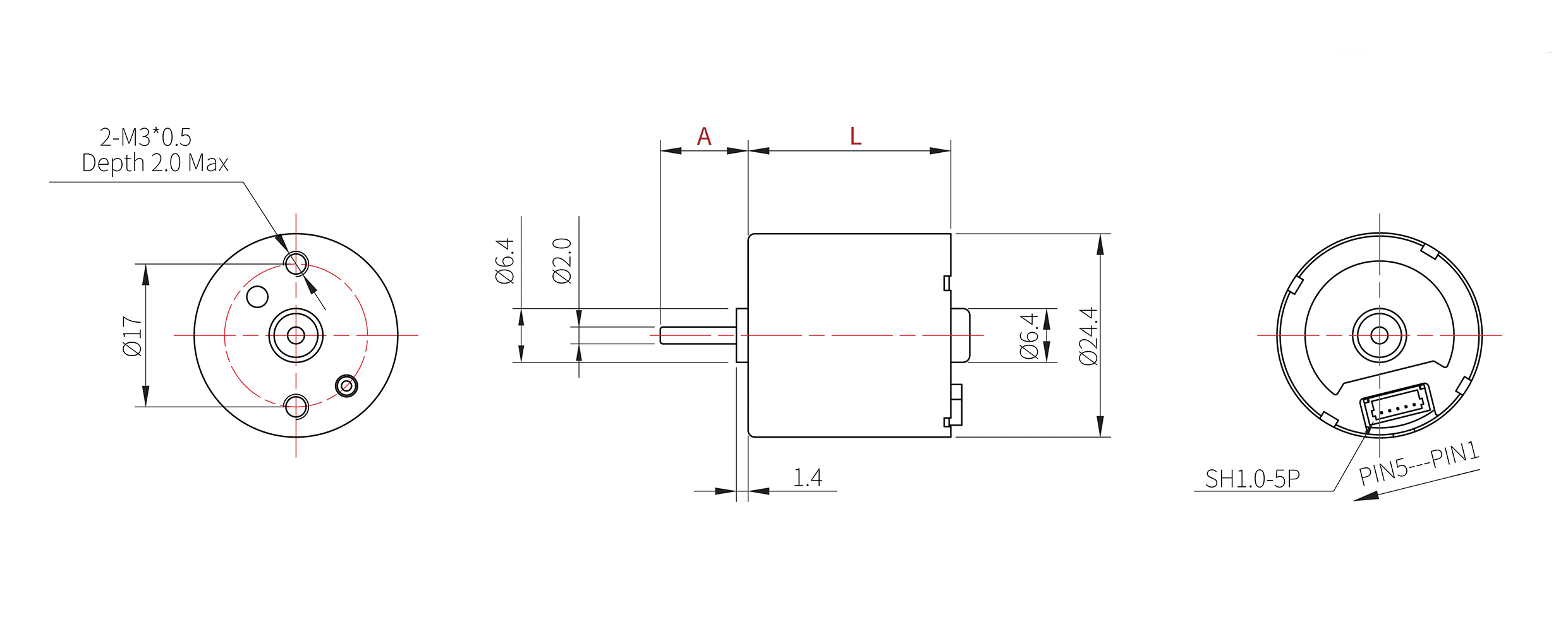
电机外形图

可定制参数 | A:轴伸长度
除非特别标注,所有尺寸单位为毫米(mm),图纸仅供参考,具体规格请联系确认

技术参数表

| *向右滑动阅读完整表格⇒

 

型号 额定电压 空载 最大效率点 堵转
电流 转速 电流 转速 力矩 功率 电流 力矩
V A RPM A RPM g·cm W A g·cm
KBL2431H-12A 12 0.041 2358 0.123 1767 49.45 0.89 0.367 197.32
KBL2431H-06A-04 5 0.178 5490 0.78 4469 48.72 2.24 3.42 261.97
KBL2431-001A-04 12 0.17 7803 0.65 6331 76.00 4.94 2.88 400.00
KBL2431H-05A 24 0.12 13062 0.616 10933 93.05 10.39 3.17 570.95

 

技术参数仅供参考,可提供定制
单位换算:1 g·cm ≈ 0.098 mN·m ≈ 0.014 oz·in;1 mm ≈ 0.039 in;1 g ≈ 0.035 oz

常见疑问

金茂展的电机是否有详细的使用寿命?

电机的使用寿命会因型号、材料和操作环境(包括温度、湿度、占空比、输入功率以及电机与负载的耦合方式等)而有显著差异。我们通常做电寿命测试时,需要在保证电机在运行状态下,电流、转速和转矩的变化保持在初始设定值的±30%范围内。

如果你能说明具体的使用要求和工作条件,我们将进行详细评估,以确定哪种电机型号最能满足你的需求。

电机的种类都有哪些?

金茂展主要生产直流电机,包括有刷直流电机,无刷直流电机,减速电机等;

金茂展的电机噪声大吗?可以提供没有噪声的电机吗?

金茂展的电机噪声控制在行业内处于领先水平;

通常我们根据背景噪声和测量距离来定义电机的噪声水平(单位为dB)。

噪声分为两大类:机械噪声和电气噪声。机械噪声主要与电机本身的结构有关,也与电机的运行速度相关(一般来说速度越快,噪声越大),而电气噪声则主要源于电刷与换向器之间摩擦产生的火花。

目前在电机行业中不存在没有噪声的电机,我们会通过改善设计让电机的噪声达到客户要求的水平。

金茂展的有刷直流电机用的是什么电刷?

我们通常使用两种类型的电刷:金属刷和碳刷。选择哪种刷子取决于多个因素,包括电机的速度、电流承载能力和预期寿命。对于尺寸小一点的电机,我们通常选择金属电刷;而对于尺寸大一点的电机,则倾向于选择碳刷。相较于金属刷,碳刷具有更长的使用寿命,并且能够显著降低换向器的磨损。

电机可以定制吗?

可以,我司有研发团队可对电机进行开发定制;

电机定制项目包括电机的外形尺寸,内部结构,性能参数和相关定制配件等,以满足电机在不同条件下工作的要求。

询盘表单