KM-28X2838

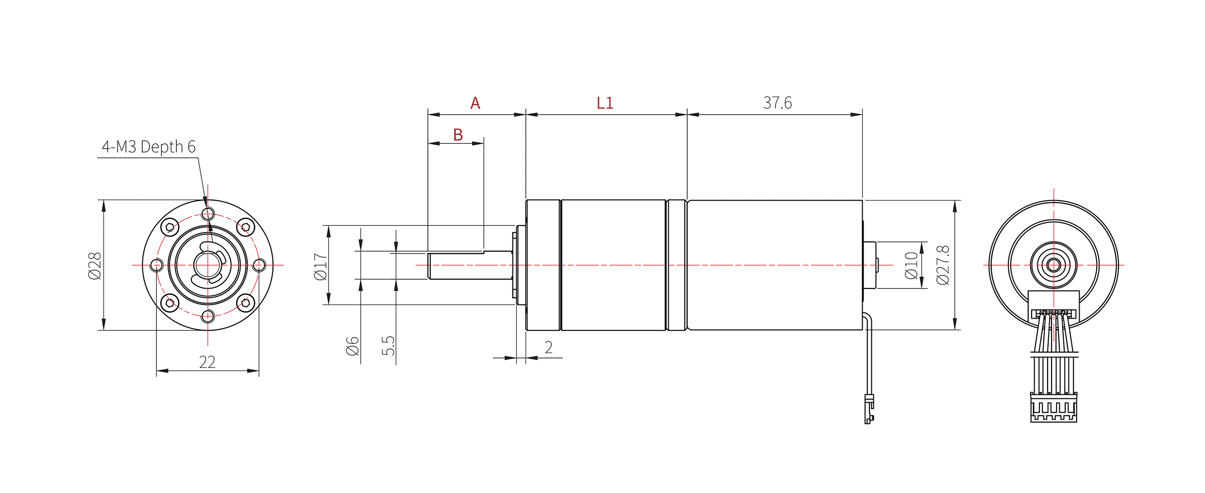
电机外形图

可定制参数 | A:轴伸长度, B:扁位长度
除非特别标注,所有尺寸单位为毫米(mm),图纸仅供参考,具体规格请联系确认

技术参数表

| *向右滑动阅读完整表格⇒

>>减速箱参数:

 

减速比 4 5 16 25 64 125 256
齿轮箱长度 | mm 23.2 28.9 34.6 40.3
12V 额定力矩 | kg·cm 0.4 0.5 1.5 2.5 5.0 10 18
额定转速 | RPM 849 682 210 133 53.7 27 13.4
堵转力矩 | kg·cm 2.2 2.8 8 12.4 29 56 103
24V 额定力矩 | kg·cm 0.7 0.9 2.5 4.0 9.5 15 15
额定转速 | RPM 1569 1246 393 250 97 52 27.8
堵转力矩 | kg·cm 3.58 4.47 12.9 20.1 46.4 90.6 167
齿轮箱瞬间容许扭力 | kg·cm 2 8 10 15
>>电机参数:
型号 额定电压 空载 最大效率点 堵转
电流 Speed Current Speed Torque Output Current Torque
V A RPM A RPM g·cm W A g·cm
KBL2838 12 0.10 4150 0.47 3419 108 3.8 2.20 613.13
KBL2838 24 0.17 7800 0.75 6357 184 12 3.31 994.59

 

技术参数仅供参考,可提供定制
单位换算:1 g·cm ≈ 0.098 mN·m ≈ 0.014 oz·in;1 mm ≈ 0.039 in;1 g ≈ 0.035 oz

应用方案

No data was found

常见疑问

无刷电机的优点是哪些?

无刷电机相对于有刷电机,有效率高,寿命长,噪音低,控制方式多样等优点。

具体可参考我们的无刷电机介绍页面:https://kinmore.com.cn/custom-brushless-motor-development/

金茂展的电机是否有详细的使用寿命?

电机的使用寿命会因型号、材料和操作环境(包括温度、湿度、占空比、输入功率以及电机与负载的耦合方式等)而有显著差异。我们通常做电寿命测试时,需要在保证电机在运行状态下,电流、转速和转矩的变化保持在初始设定值的±30%范围内。

如果你能说明具体的使用要求和工作条件,我们将进行详细评估,以确定哪种电机型号最能满足你的需求。

样品费用是多少?

对于5件以内的低成本样品,我们可以免费提供,但运费需由客户承担(客户可选择提供快递单号或安排快递员到我司取件,这两种方式我们都能接受);

超出此数量的样品,或定制化产品,我们将收取相应的样品费和运费。

有没有空心杯/外转子的无刷电机?

我司无刷电机产品齐全,可以提供空心杯,外转子等特殊结构的电机。

能参观一下金茂展的电机工厂吗?

欢迎随时来访,但请提前数日通知我们,以便我们安排日程并制定参观计划。

询盘表单