无刷直流电机原理
磁铁固定在转子上,而定子则缠绕在指定数量的磁极上。 通过使用电子换向器,电流在定子磁极周围反向。 如图1所示,这将在定子中建立一个旋转磁场,转子磁铁将跟随该旋转磁场,从而使转子旋转。它实际上是一台同步电机,转子速度由定子线圈之间的换向频率控制。
图1:无刷直流电机类型

定子线圈的数量将是3的倍数,并且将串联或并联互连以形成三组A,B和C。
优点:
与有刷直流电机相比,无刷电机有以下几个优点:
- 更高的扭矩重量比
- 更多扭矩/瓦(提高效率)
- 更高的可靠性,更低的噪声,更长的使用寿命(无电刷和换向器腐蚀),以及消除了换向器产生的电离火花。
- 在转子上没有绕组的情况下,它们不会受到离心力的影响,因此可以实现非常高速的设计。
- 由于绕组由壳体组成,因此可以通过传导进行冷却,而无需在电机内部进行气流冷却,这又意味着可以将电机的内部完全封闭,并防止灰尘或其他异物进入。
变化:图1(a)显示了一种类型的无刷直流电机,称为内转子设计或流道设计,其中转子在内部,定子在外部。 图1(b)中显示了一种变化形式,称为外转子设计或外转子设计。 在此,转子在外部,定子在内部。
2.无刷电机的驱动
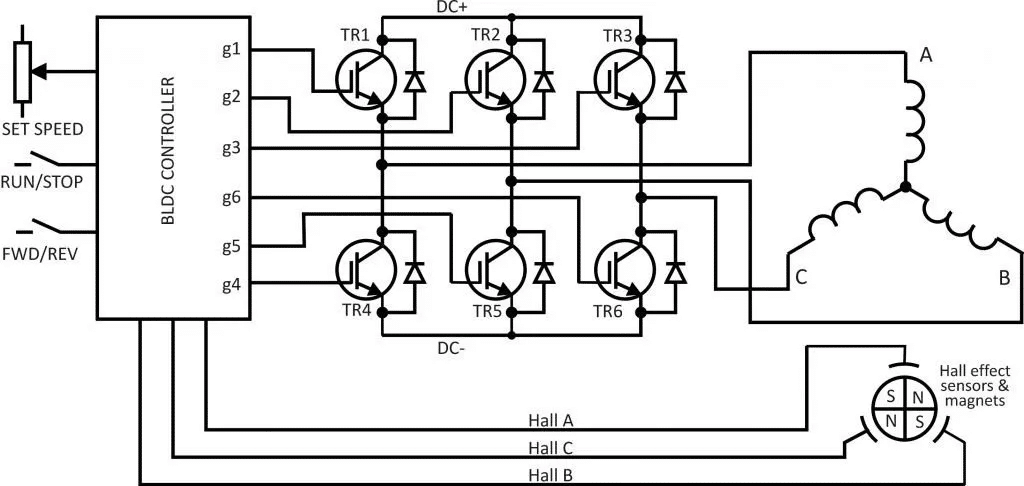
无刷直流电机没有电子控制器是不能运行的。它可以通过定子线圈对电流进行换向,并可用于提供速度控制。图2是这种控制器的简化电路图。
图2:使用霍尔效应传感器的无刷直流电机控制器

图2显示了实质上是一个三相逆变桥,它使用IGBT作为半导体开关器件。 出于成本和性能方面的原因,较小的低压电机控制器更可能使用MOSFET。
3.无刷直流电机无传感器控制
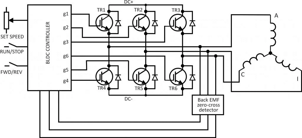
电机绕组之间的输出电流换向由霍尔传感器反馈中的转换控制。 可以看出,这大约对应于反电动势波形之一中的零交叉点。 因此,有可能通过监视这些反电动势来检测换向点。 这使得在某些电机和应用中可以消除霍尔传感器和辅助磁体。 这简化并降低了电机的成本。 图3显示了无传感器BLDCM控制方案的框图。
图3:无传感器无刷直流电机控制器

过零点通常不同于理想的换向点,因此控制器需要对此进行补偿。 在低速下,反电动势 幅值非常低,因此无法测量,因此电机需要开环运行。 因此,无传感器控制不适用于具有高动态性能或低速和高转矩的应用。