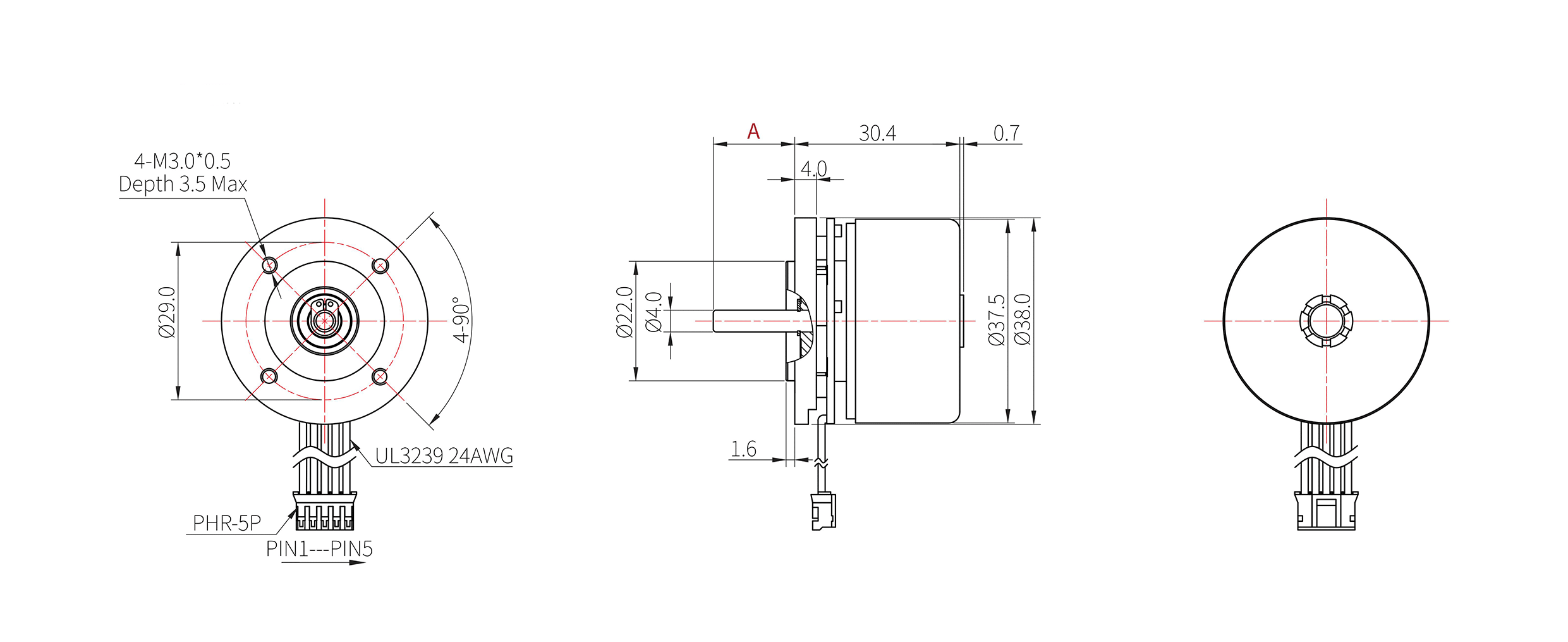
电机外形图

可定制参数 | A:轴伸长度
除非特别标注,所有尺寸单位为毫米(mm),图纸仅供参考,具体规格请联系确认

技术参数表

| *向右滑动阅读完整表格⇒

型号 额定电压 空载 最大效率点 堵转
电流 转速 电流 转速 力矩 功率 电流 力矩
V A RPM A RPM g·cm W A g·cm
KAE3830H-01A 24 0.147 4178 1.02 3652 563.09 21.13 7.10 4472.60
KAE3830H-03A 24 0.122 4097 1.08 3680 534.00 20.19 9.52 5253.17

 

技术参数仅供参考,可提供定制
单位换算:1 g·cm ≈ 0.098 mN·m ≈ 0.014 oz·in;1 mm ≈ 0.039 in;1 g ≈ 0.035 oz

常见疑问

电机的种类都有哪些?

金茂展主要生产直流电机,包括有刷直流电机,无刷直流电机,减速电机等;

能参观一下金茂展的电机工厂吗?

欢迎随时来访,但请提前数日通知我们,以便我们安排日程并制定参观计划。

可以只要减速箱吗?

为了保证产品的质量和一致性,我们一般不提供单独配件/减速箱;

定制化的减速电机需求,我们会根据实际情况,制定解决方案。

电机评估需要提供哪些参数信息?

客户需要明确提供产品的性能与外形要求(不同的外形决定空间的大小,这将直接关联到不同的规格能做到的性能如扭矩值是有差别的)。性能要求包括工作电压、额定负载、额定转速等参数,外形要求则包括最大安装尺寸、出轴尺寸、端子方向等。

此外,若客户有其他更详细的要求如电流限制、工作环境、使用寿命和EMC标准等也可以一起提供,这将有助于我们进行更为精确和全面的评估,确保最终产品能够满足客户的个性化需求。

金茂展的电机噪声大吗?可以提供没有噪声的电机吗?

金茂展的电机噪声控制在行业内处于领先水平;

通常我们根据背景噪声和测量距离来定义电机的噪声水平(单位为dB)。

噪声分为两大类:机械噪声和电气噪声。机械噪声主要与电机本身的结构有关,也与电机的运行速度相关(一般来说速度越快,噪声越大),而电气噪声则主要源于电刷与换向器之间摩擦产生的火花。

目前在电机行业中不存在没有噪声的电机,我们会通过改善设计让电机的噪声达到客户要求的水平。

询盘表单